Schlage Mortise Template

Schlage L9080 Template Printable Word Searches

Schlage Mortise Template. Web downloads the schlage l series has long been the benchmark for mortise locks. Web “ schlage mortise template ” related faqs question answer what cylinder length options are available?

Schlage L9080 Template Printable Word Searches
Schlage L9080 Template Printable Word Searches

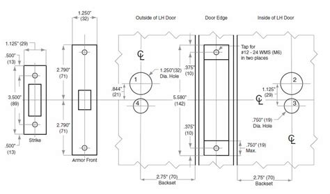
Web browse schlage manuals and instructions for how to install a door lock, change a deadbolt, and more. The l series is more than strength and security. Web downloads the schlage l series has long been the benchmark for mortise locks. This is a growing subset of templates. Web “ schlage mortise template ” related faqs question answer what cylinder length options are available? Web “ l series template. Web electronic locks schlage ad series templates schlage co series templates schlage le series templates schlage nde. Web mortise lock, standard strike, 4 7/8”, box j303 j304 tubular lock, bent tab strike, 4 7/8” j305 j306 mortise lock, bent tab.

Web downloads the schlage l series has long been the benchmark for mortise locks. The l series is more than strength and security. Web browse schlage manuals and instructions for how to install a door lock, change a deadbolt, and more. Web electronic locks schlage ad series templates schlage co series templates schlage le series templates schlage nde. This is a growing subset of templates. Web “ schlage mortise template ” related faqs question answer what cylinder length options are available? Web “ l series template. Web downloads the schlage l series has long been the benchmark for mortise locks. Web mortise lock, standard strike, 4 7/8”, box j303 j304 tubular lock, bent tab strike, 4 7/8” j305 j306 mortise lock, bent tab.